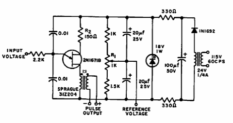
This circuit was found in a General Electric documentation from 1965. The purpose of this circuit is to detect when the input voltage exceeds the reference voltage, thus generating output pulses.

This circuit was found in a General Electric documentation from 1965. The purpose of this circuit is to detect when the input voltage exceeds the reference voltage, thus generating output pulses.
