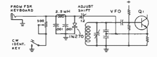
This circuit was found in documentation from 1977. Its purpose is to diode-switch the frequency of a VFO. The frequency depends on the oscillator.

This circuit was found in documentation from 1977. Its purpose is to diode-switch the frequency of a VFO. The frequency depends on the oscillator.
