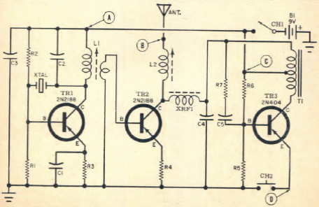
This circuit was obtained from a Popular Electronics from January 1967. It has a crystal-determined frequency of 27 MHz and the transistors used are from the time.


This circuit was obtained from a Popular Electronics from January 1967. It has a crystal-determined frequency of 27 MHz and the transistors used are from the time.

