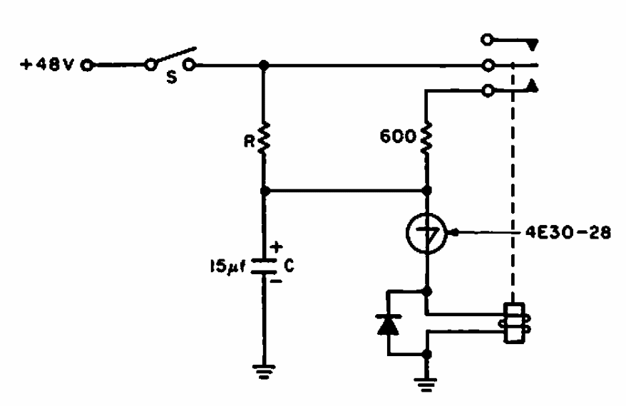
Using a 4-layer diode, an unusual component today, this circuit was found in an American documentation from 1964. The circuit can be tested using a diac.
The circuit shown is from the Texas Instruments optoelectronics manual, applying to low power...
This circuit was found in a 1968 General Electric documentation. It has an input impedance of 2 M ohms...
This filter that rejects a frequency range determined by the double-T was found in the August 1993...