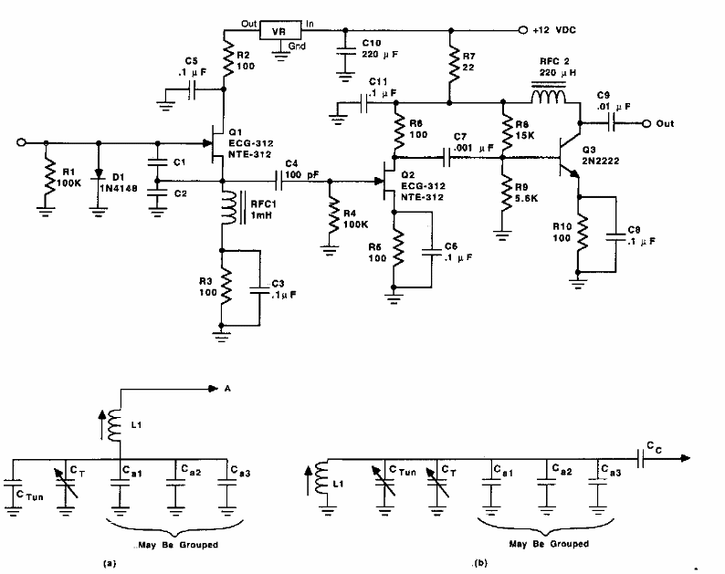
We found this circuit in a magazine 73 from the 90's. It is a circuit indicated for radio-amateur transmitters with the frequencies determined by the sets of coils.
This circuit was obtained in a 1998 documentation. It is a small low frequency signal generator with...
This 1997 article was originally created to control loads from a PC's parallel port. However, due...
The power supply for this circuit must be symmetrical at 15 + 15 V and the load at 4 or 8 ohms. The...