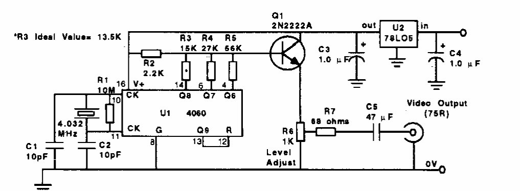
This circuit was found in a 73 magazine for radio amateurs. Components are still common today.
The circuit shown is from the Texas Instruments optoelectronics manual, applying to low power...
This circuit was found in a 1968 General Electric documentation. It has an input impedance of 2 M ohms...
This filter that rejects a frequency range determined by the double-T was found in the August 1993...