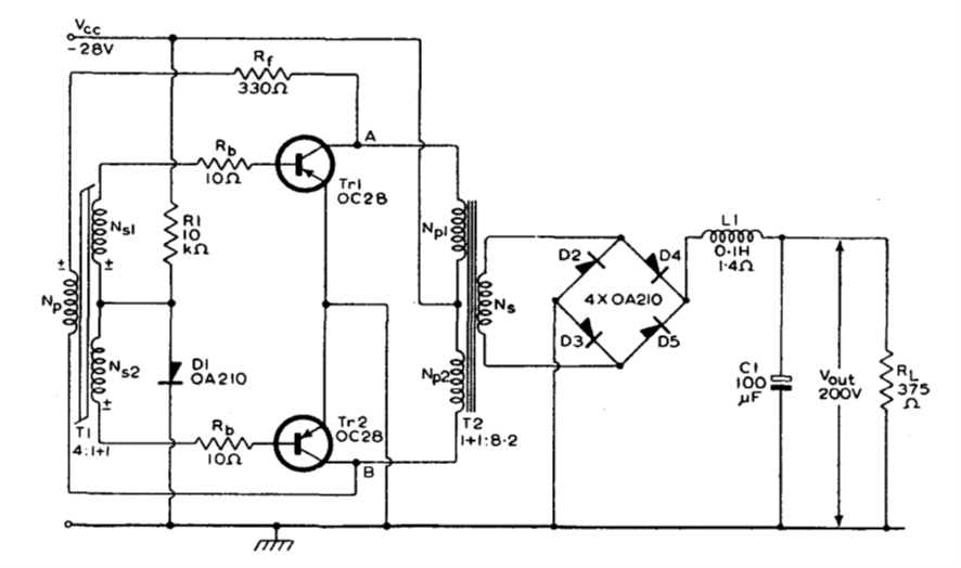
We found this circuit in Mullard's 1960s transistor manual. No information about transformers is given. Transistors are germanium types of the time.
The circuit shown is from the Texas Instruments optoelectronics manual, applying to low power...
This circuit was found in a 1968 General Electric documentation. It has an input impedance of 2 M ohms...
This filter that rejects a frequency range determined by the double-T was found in the August 1993...