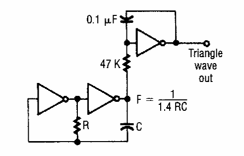
Taken from an Electronics Now from the 90s, this circuit generates signals whose frequency depends on R and C. The formula for calculation is given next to the diagram.

Taken from an Electronics Now from the 90s, this circuit generates signals whose frequency depends on R and C. The formula for calculation is given next to the diagram.
