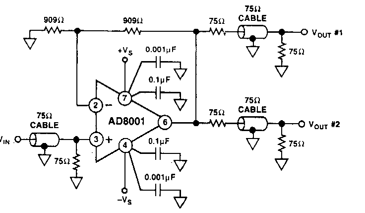
This circuit was found in Analog Devices documentation from the 90's. The integrated circuit used is from the time. The circuit is for HDTV signals. of the time.
The circuit shown is from the Texas Instruments optoelectronics manual, applying to low power...
This circuit was found in a 1968 General Electric documentation. It has an input impedance of 2 M ohms...
This filter that rejects a frequency range determined by the double-T was found in the August 1993...