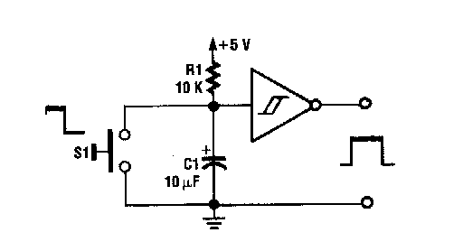
This circuit uses any trigger function according to the associated logic. The circuit is from an Electronics Now. For TTL the 7414 can be used.

This circuit uses any trigger function according to the associated logic. The circuit is from an Electronics Now. For TTL the 7414 can be used.
