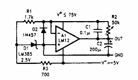
This positive voltage regulator with 70 V output was found in a National Semiconductor manual from the 1980s. The maximum output current is 150 mA.

This positive voltage regulator with 70 V output was found in a National Semiconductor manual from the 1980s. The maximum output current is 150 mA.
