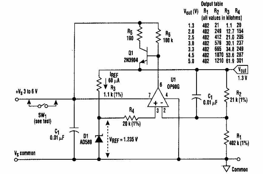
Found in an Electronic Design from the 90's, this circuit supplies voltages according to the indicated component values. The integrated circuit is from the time.
June 2017 - The new touch switches C & K KXT series can now be obtained from Mouser Electronics. These...
This is one of the many anti-deboucer circuits the reader can find on this site. The base is TTL...
The circuit presented, from the Analog Devices linear integrated circuits manual, has compensation for...