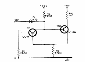
Found in a 1960 Mullard transistor manual, this circuit uses components from the time.
This circuit uses a phototransistor as sensor. The changes in the resistance of the transistor,...
This circuit is from Texas Instruments' own datasheet for this low voltage operational amplifier. The...
This circuit can measure audio output power up to 50 W. The circuit is wired to the output of an...