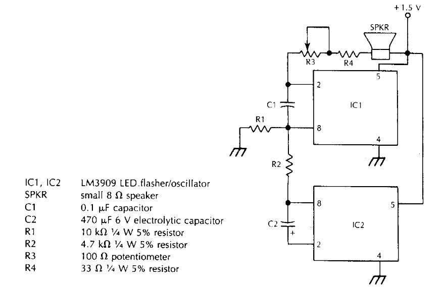
This circuit was obtained from an American documentation from the 90's. The components can be changed, and a power step can be added for greater sound volume.
This receiver for listening on the phone was found in a Japanese magazine in 1967. The circuit uses...
This receiver circuit was found in a Hands On Electronics from the 90s. The circuit uses a PLL...
This transistorized siren was found in the patent section of Radio Electronics magazine from March...