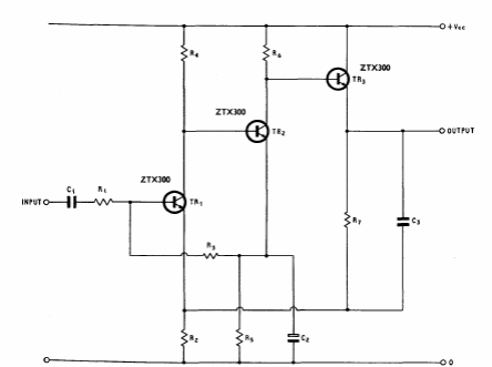
Found in the 1974 Ferranti transistor manual, this circuit uses components from the time,
The battery charger suggested in the figure has its current limited by resistor R1. This component can...
This circuit was obtained in an American publication from the 1980s. The circuit uses a transistor at...
This circuit for Laser Diode power was found in a 2005 Linear Technology manual. In the diagram...