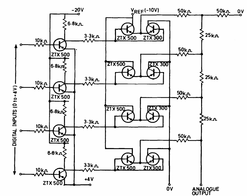
This circuit was found in Ferranti's 1974 transistor manual. Transistors are general purpose types at the time.
The two power steps below are intended for use with the SAA1027 stepper motor control but can be...
This circuit has test gain ranges from 50 to 300 with the use of appropriate resistors. The...
The short-wired circuit is suggested by National Semiconductor in documentation on the LM3909. The power...