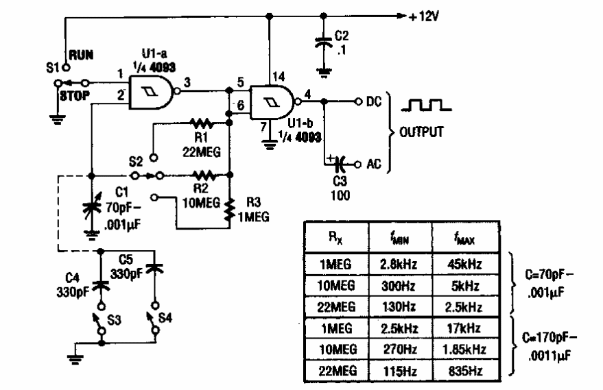
This variable frequency oscillator with the 4093 was found in a Popular Electronics from the 90s. The table gives the component values for various frequency ranges.
This circuit can be used in instrumentation to obtain a very high input impedance for measurement of...
This circuit was found in a 1967 General Electric documentation. The circuit generates signals...
This variable frequency oscillator with the 4093 was found in a Popular Electronics from the 90s....