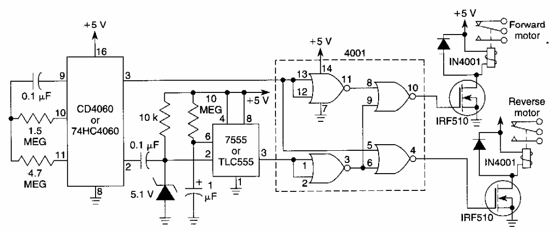
We found this circuit in an old American documentation, but the circuit can still be assembled with ease as the used components are still available. MOSFETs admit equivalents.
The purpose of this circuit is to increase the selectivity of receivers with ferrite antennas. The circuit...
This solid-state relay circuit (SSR) or shield is from a 1995 Electronics Now. With it we can...
We show a channel of a simple preamplifier for ceramic capsules. This circuit is based on a very...