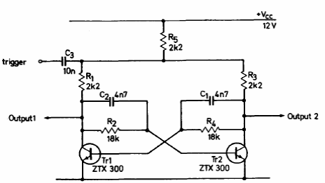
This circuit, for slow bistables, was found in Ferranti's transistor manual from 1974. The transistors are general purpose, and the maximum operating rate reaches 50 kHz.

This circuit, for slow bistables, was found in Ferranti's transistor manual from 1974. The transistors are general purpose, and the maximum operating rate reaches 50 kHz.
