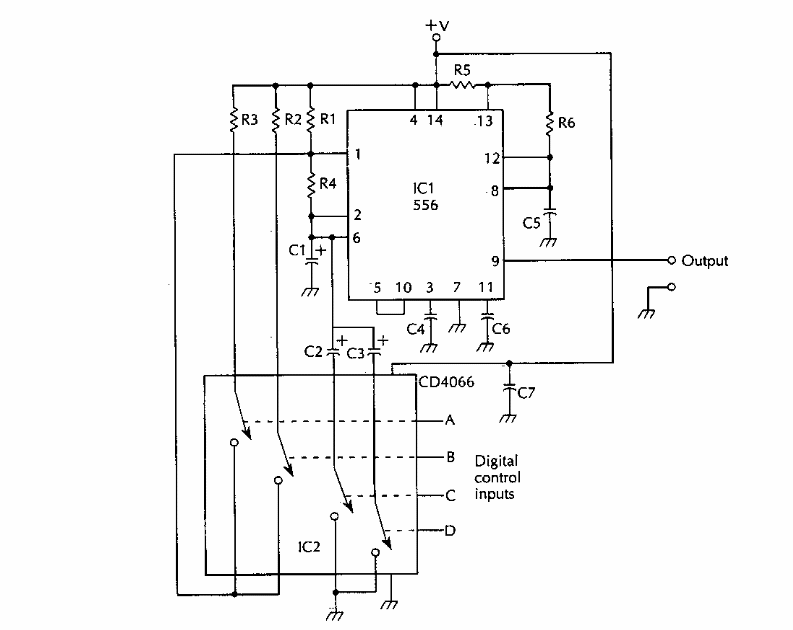
Found in American documentation from the 90s, this circuit generates sound bursts according to the digital control.
This 1992 circuit uses an integrated circuit not common today. The Sanyo integrated circuit must...
This was one of the National Semiconductor clock modules very popular in the 70s and 80s. In the...
This digital / analog converter shield is suggested by MOTOROLA and is based on an operational amplifier...