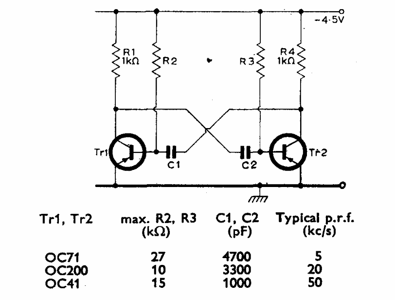
This astable multivibrator was obtained from a Mullard documentation from 1960. The components depend on the used transistor and on the frequency, as shown in the table next to the diagram.
This configuration (using a logic gate with TTL compatible output) uses an amplifier transistor to obtain...
Placed near a common receiver, this oscillator is intended to generate a beating signal to receive...
Published in the September 1973 issue of Radio Electronics magazine, this diagram may be useful to...