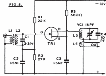
Found in old English documentation this circuit can be made with a BF245 or equivalent. Coils are according to FM band or other.

Found in old English documentation this circuit can be made with a BF245 or equivalent. Coils are according to FM band or other.
