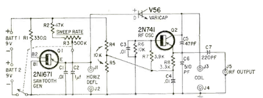
This simple unijunction and bipolar generator appeared in Radio Electronics magazine in September 1865. It generates signals from 100 kHz to 60 MHz and is powered by two 9 V batteries.
In the figure we have the transmitter and the receiver for an optical audio link via infrared. The...
This circuit is indicated for applications in alarms generating an intermittent high-power tone in a...
This full wave control with SCRs uses a different solution to avoid using a diode bridge: a pulse...