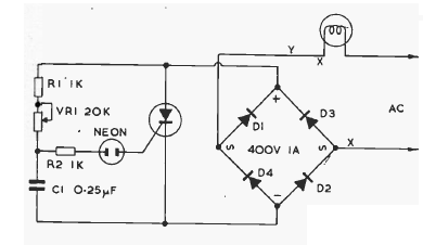
This circuit is a version of the previous one, but with full wave control. The diodes must be according to the power of the lamp. The circuit is for incandescent lamps.

This circuit is a version of the previous one, but with full wave control. The diodes must be according to the power of the lamp. The circuit is for incandescent lamps.
