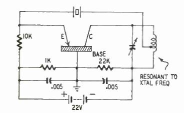
This crystal-controlled circuit with 60 mW output power is in the Radio Electronics magazine of 1950. The frequency is at most about 100 kHz.

This crystal-controlled circuit with 60 mW output power is in the Radio Electronics magazine of 1950. The frequency is at most about 100 kHz.
