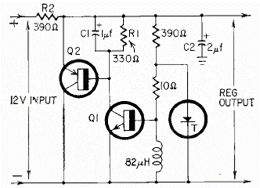
Yes, tunnel diodes can also be used in voltage regulators, as shown in this circuit from a Radio Electronics from August 1964. The transistors are from the time, but the circuit can be implemented with modern equivalents.

Yes, tunnel diodes can also be used in voltage regulators, as shown in this circuit from a Radio Electronics from August 1964. The transistors are from the time, but the circuit can be implemented with modern equivalents.
