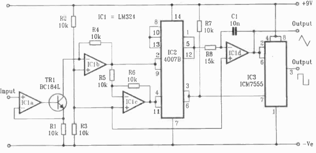
This circuit has a duty cycle of 50%. We found it in old English documentation. The center frequency is around 1 kHz.
This simple circuit, obtained from a Radio Shack documentation, tests transistors and diodes. The...
This simple circuit is intended to test integrated circuits 555 and 741 in 8-pin DIL enclosures. In both...
This is a circuit for receiving signals from the previous transmitter. The circuit uses a common...