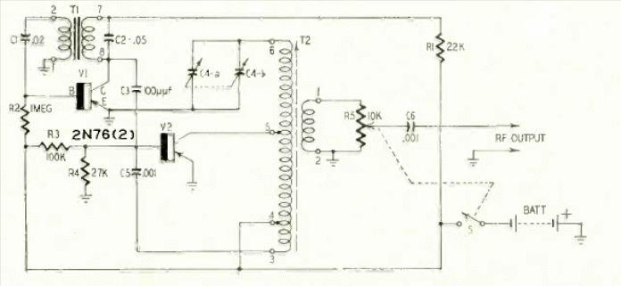
This simple signal generator with transistors was published in Radio Electronics magazine in November 1957. The circuit generates signals determined by the coil and modulation by the transformer.
This simple circuit, obtained from a Radio Shack documentation, tests transistors and diodes. The...
This simple circuit is intended to test integrated circuits 555 and 741 in 8-pin DIL enclosures. In both...
This is a circuit for receiving signals from the previous transmitter. The circuit uses a common...