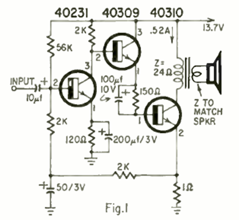
This circuit with silicon transistors was found in a Radio Electronics from July 1965. The circuit of a few watts used RCA transistors.

This circuit with silicon transistors was found in a Radio Electronics from July 1965. The circuit of a few watts used RCA transistors.
