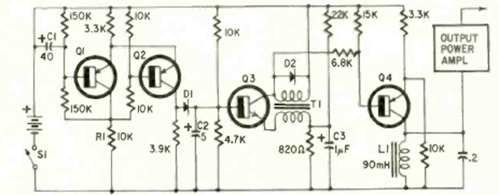
This transistorized siren was found in the patent section of Radio Electronics magazine from March 1968. The circuit uses components from the time and has a very elaborate configuration.
We found this circuit at Modern Electronics in January 1991. The magazine no longer exists, but...
Found in a 90's EDN, this circuit can be used as a shield. The components depend on the MOSFETs...
This circuit will trigger an audible warning signal after the end of the pre-programmed timing. Using...