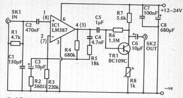
Found in an English documentation from 1989, this circuit is intended for equalization of cassette recorder heads in playback. The circuit does not need a symmetric power supply.

Found in an English documentation from 1989, this circuit is intended for equalization of cassette recorder heads in playback. The circuit does not need a symmetric power supply.
