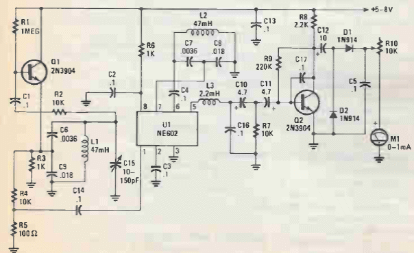
We found this circuit in Popular Electronics from 1992. Transistors admit equivalents.
May 2016 - Mouser Electronics is already sourcing the new modules from Murata MAGICSTRAP forUHF RFID....
Using an operational amplifier, this circuit was found in the March 1996 issue of Electronics Now...
This digital indicator circuit was found in the June 1988 issue of Radio Electronics magazine. The circuit...