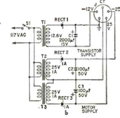
This interesting circuit appeared in the April 1952 Radio Electronics magazine. The circuit is perhaps one of the first transistorized designs in a technical magazine using the 2N107/2N35 to control servos in a photocell system. The circuit uses period servos. The two circuits are given below.





