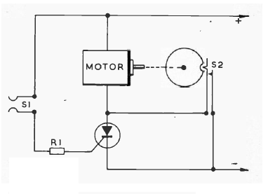
Using a mechanical drive motor, this circuit was found in old documentation. The engine turned off the SCR each time the sensor passed over the shoulder.

Using a mechanical drive motor, this circuit was found in old documentation. The engine turned off the SCR each time the sensor passed over the shoulder.
