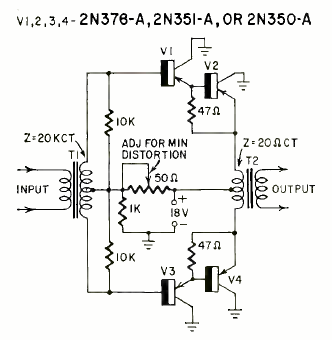
This 15 W power stage was found in Radio Electronics magazine from August 1959. The transistors are the power type of the time, and the power supply is 18 V.

This 15 W power stage was found in Radio Electronics magazine from August 1959. The transistors are the power type of the time, and the power supply is 18 V.
