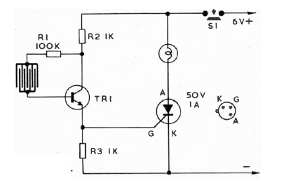
This sensitive circuit was found in old documentation. The SCR can be any of the 106 series and the transistor a BC548.

This sensitive circuit was found in old documentation. The SCR can be any of the 106 series and the transistor a BC548.