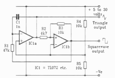
This circuit is based on operational amplifiers that are still common today. The frequency depends on C1 and is around 80 kHz for the indicated value.

This circuit is based on operational amplifiers that are still common today. The frequency depends on C1 and is around 80 kHz for the indicated value.
