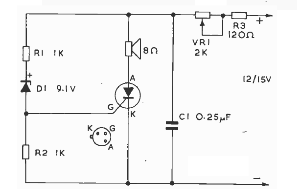
This interesting oscillator was obtained from an old documentation. In principle any 106 series SCR works. The zener must have a voltage lower than that used in the power supply.

This interesting oscillator was obtained from an old documentation. In principle any 106 series SCR works. The zener must have a voltage lower than that used in the power supply.
