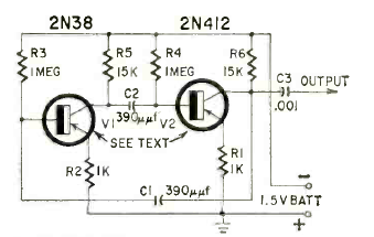
This useful signal injector using two transistor was found in a Radio Electronics Magazine from may 1962, The circuit is powerud from one 1,5 cell.

This useful signal injector using two transistor was found in a Radio Electronics Magazine from may 1962, The circuit is powerud from one 1,5 cell.
