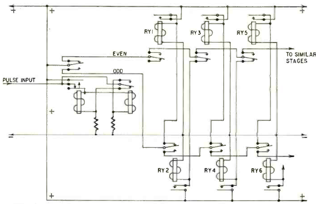
This interesting digital counter with relays with complementary outputs was found in the Radio Electronics magazine of October 1961. The supply voltage is in accordance with the relays used.
We find this circuit in a 1974 Motorola PUTs (Unijunction Programmable Transistors) documentation. The circuit...
The presented circuit can be implemented with a BC548 and for larger currents a BD135 can be used....
Using a 4046 PLL this circuit was obtained from the October 1994 issue of Electronics Now...