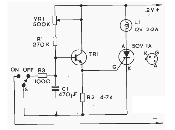
This 12V incandescent lamp switch with time delay was found in old documentation. The SCR can be the TIC106 and the transistor the BC548.

This 12V incandescent lamp switch with time delay was found in old documentation. The SCR can be the TIC106 and the transistor the BC548.
