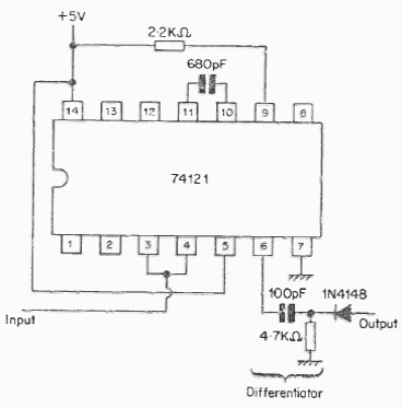
This TTL circuit with the 74121 has a delay given by the capacitor of 680 pF. This component can be changed to get other delays.

This TTL circuit with the 74121 has a delay given by the capacitor of 680 pF. This component can be changed to get other delays.
