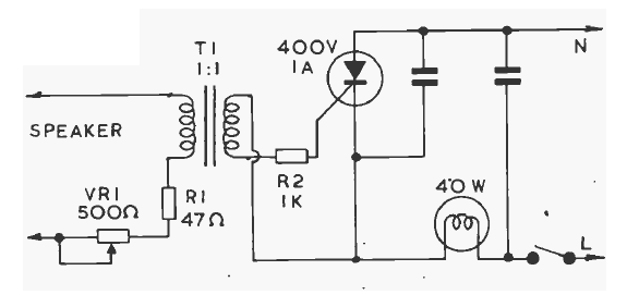
This simple rhythmic light for incandescent lamps was found in old English documentation. Capacitors can be 100 nF polyester. The SCR can be the TIC106.

This simple rhythmic light for incandescent lamps was found in old English documentation. Capacitors can be 100 nF polyester. The SCR can be the TIC106.
