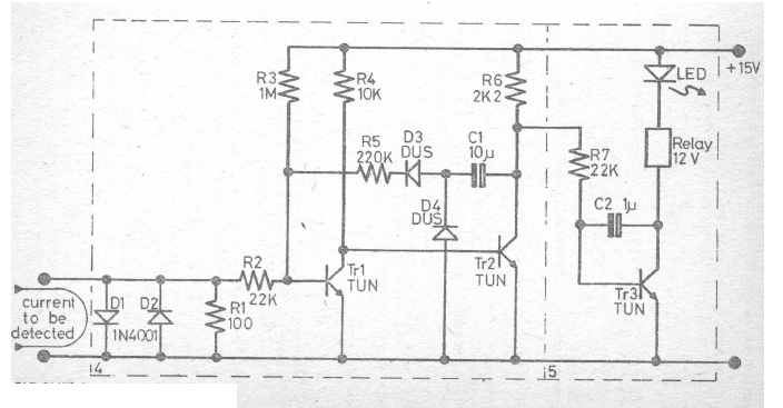
This sensitive circuit for triggering relays was found in an old English publication. It works with alternating signals applied to its input. Transistors are general purpose types.
This circuit was found in an 80's Electronic Design. The frequency depends on the crystal and the...
This two-port configuration of the 4001 was found in the April 1988 issue of Radio Electronics magazine....
This 5 V x 8 A power supply was found in Siliconix documentation. The unit operates with a 24 to...