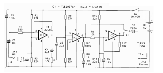
The purpose of this circuit is to invert the phase of a noise and apply it to the environment in order to cancel it. The circuit is from an English documentation from 1995.

The purpose of this circuit is to invert the phase of a noise and apply it to the environment in order to cancel it. The circuit is from an English documentation from 1995.
