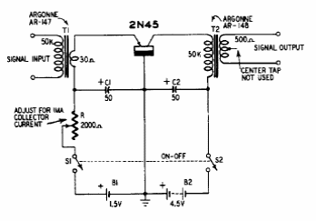
Found in an old American documentation, this step has as input and output transformers coupling. Two power sources are used.

Found in an old American documentation, this step has as input and output transformers coupling. Two power sources are used.