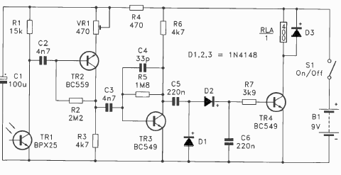
This circuit is the receiver for the previous remote-control transmitter. We found it in the same documentation from 1995. The sensor can be any sensitive phototransistor.

This circuit is the receiver for the previous remote-control transmitter. We found it in the same documentation from 1995. The sensor can be any sensitive phototransistor.
