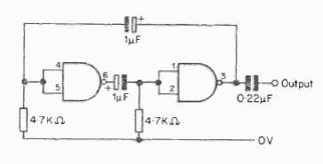
The frequency of this circuit is determined by the 1 uF capacitors. These components can be changed. The circuit must be supplied with 5V voltage.

The frequency of this circuit is determined by the 1 uF capacitors. These components can be changed. The circuit must be supplied with 5V voltage.
