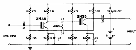
This circuit was found in an American publication from the 60's. Transistors are germanium types of the time. The frequency is given by C3 and C4.

This circuit was found in an American publication from the 60's. Transistors are germanium types of the time. The frequency is given by C3 and C4.
