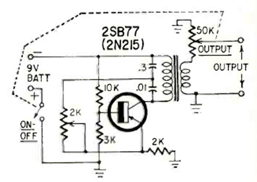
This Hartley oscillator can be used in tests or as a signal injector. The transformer is the type found in transistor radios of the time. The circuit is from a Radio Electronics from April 1965.

This Hartley oscillator can be used in tests or as a signal injector. The transformer is the type found in transistor radios of the time. The circuit is from a Radio Electronics from April 1965.
